所屬分類:振動篩系列
Product introduction
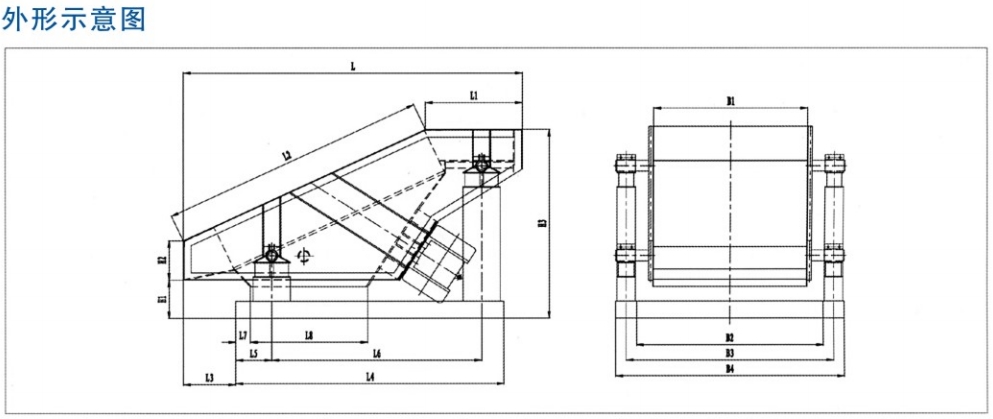
產品介紹
產品用途
XBZS系列彈臂振動篩是一種新型的篩分設備,它廣泛應用于礦山、煤炭、電力、冶金、建材、耐火等各行各業,適用于大物料及中、小顆粒狀物料的分級作業。
產品特點
XBZS系列彈臂振動篩篩面傾斜安裝,角度在20°-35°之間,與其它同類型產品相比具有下列特點:
1.傾角大,體積小,篩分能力大。
2.重量輕,便于安裝及工藝布置。
3.能耗少,可節約大量能源。
4.價格低,備件量極少。
5.結構簡單,造型美觀。
6.篩網的篩分效率比一般的篩網高出20%左右,具有自清理功能。
工作原理及結構特點
篩箱依靠兩臺相同的振動電機或普通電機帶激振器驅動做相反方向自同步旋轉,使支撐在減振器上的整個篩機做直線振動,物料從入料端落入篩后迅速前進、松散、透篩、完成篩分作業。
本機由篩箱、振動電機或激振器,減振系統及底架等組成。篩箱由篩框、篩板、襯板等組成。
本系列篩機采用高性能、高壽命YZ0系列振動電機或激振器作激振源,調節振動源激振力的大小,可以改變篩機的振幅。
減振系統由橡膠彈簧和卡箍、支承座等組成。底架由料倉及底盤架等組成。本系列振動篩激振源安裝方式可分為上振式和下振式,減振器安裝方式可分為座式或吊掛式。還可以根據用戶需要進行設計制造。







Customer case
客戶案例
Relevant news
相關新聞
-
08-17
積極維護防汛救災網絡秩序倡議書近期,東北、華北、黃淮等地出現極端降雨,多地出現居民被困和人員傷亡情況,全國各地救援力量迅速集結,全力投入防汛救災工作。在當前全國齊心聚力、攜手救災的特殊時期,... -
11-20
振動篩的大好場景!國內的振動篩行業可謂是風生水起,行業內一派火熱景象。別的不說,就拿行業消息來講:鞍重股份高性能大型振動篩入圍國家科技技術發明獎;中聯重科首臺4GLS2530...
-
11-20
振動篩為什么能取代搖動篩?振動篩在行業初期也遇到過很多強有力的競爭對手,就像搖動篩,也風靡一時。今天,我們帶你一起探討一下,振動篩為什么取代搖動篩? 搖動篩是以曲柄連桿機構作為傳動...
